產品下載
產品特點
BGS-HL/BGS-HDL系列 高精度雷射感測器|BGS-HL05T|BGS-HL25T2|BGS-HDL05T|BGS-HDL25T2
- Tri-Core處理器:高性能演算,確保高精度與穩定性。
- 段差檢測:最小可檢測高度差 0.08 mm,適合薄型工件判定。
- 數位亞像素:65536 子像素解析,提升波形精度與檢測能力。
- 自動快門:根據反射率自動調整速度,降低材質/色差誤差。
- 自動採樣:即使物體傾斜或反射不足仍可穩定檢測。
- 誤差改善:SUS 誤差降至傳統的 1/13,黑紙降至 1/58。
- 機器人應用:體積小、重量輕,具 IP67 防水,適合機器人安裝。

實現微小段差判定
採用數位亞像素處理,將每個像素分割成256×256(65536)個次像素進行識別,以捕捉更精確的受光波形。從而實現超微小段差的判定。

易於檢測黑色· 光澤工作
BGS-HL/BGS-HDL可根據被測工件的反射率自動調整快門速度。透過受光量的多少自動調節成最佳靈敏度,因此可以盡最大限度的減少由於不同材質/色差導致的誤差。

大幅度減小偵測誤差
BGS-HL25T2 / BGS-HDL25T2與傳統產品相比較,偵測不同材質工件(不鏽鋼/黑色紙)時設定距離與實際距離之間的誤差。不鏽鋼時誤差約是傳統產品的1/13,黑紙時約1/58。

易於偵測傾斜物體
BGS-HL/BGS-HDL搭載【採樣週期:AUTO】功能,即時自動調整目前的採樣週期。就算物體傾斜導致反射光量不足的情況也可進行穩定檢測。

產品陣容
| 型號 | 種類 | 檢測範圍 | 重複精度 | 雷射等級 | 開關量輸出 | |
| 鋁材外殼 | SUS外殼 | |||||
| BGS-HDL05T | - | ![]() |
![]() |
0.01mm | (IEC/JIS) Class1 | 2CH輸出 |
| BGS-HDL25T2 | - | ![]() |
0.1mm | (IEC/JIS) Class2 | 2CH輸出 | |
| BGS-HL05T | BGS-HLM05T | ![]() |
0.01mm | (IEC/JIS) Class1 | 1CH輸出 | |
| BGS-HL25T | BGS-HLM25T | ![]() |
0.1mm | (IEC/JIS) Class1 | 1CH輸出 | |
| BGS-HL25T2 | BGS-HLM25T2 | ![]() |
0.1mm | (IEC/JIS) Class2 | 1CH輸出 | |
| BGS-HL05TC | BGS-HLM05TC | ![]() |
![]() |
0.01mm | (IEC/JIS) Class1 | 1CH輸出 |
| BGS-HL25TC | BGS-HLM25TC | ![]() |
0.1mm | (IEC/JIS) Class1 | 1CH輸出 | |
| BGS-HL25TC2 | BGS-HLM25TC2 | ![]() |
0.1mm | (IEC/JIS) Class2 | 1CH輸出 | |
| 單輸出類型(BGS-HL系列)運用例子 | |
| 黑色橡膠部件的凹凸面判別 | 矽晶圓的重疊檢測 |
![]() |
![]() |
| 雙輸出類型(BGS-HDL 系列)運用例子 | |
| 振動盤的物料檢測 (1CH:物料剩餘量較少時開始補給; 2CH:剩餘量較多時停止補給) |
吸管的有無/翹起偵測 (1CH:無吸管時輸出ON; 2CH:吸管翹起時輸出ON) |
![]() |
![]() |
產品規格
| 類型 | 單通道輸出型 | 雙通道輸出型 | |||
| 型號 | BGS-HL05T | BGS-HL25T2 | BGS-HDL05T | BGS-HDL25T2 | |
| 檢測距離 | 20~50mm(顯示值※1 0.00~30.00) | 50~250mm(顯示值※1 0.0~200.0) | 20~50mm(顯示值20.00~50.00) | 50~250mm(顯示值50.0~250.0) | |
| 重複精度 | 0.01mm(顯示值:0.01) | 0.1mm(顯示值:0.1) ※2 | 0.01mm(顯示值:0.01) | 0.1mm(顯示值:0.1) ※2 | |
| 最小檢測高度差※3 | 0.08mm | 0.8mm | 0.08mm | 0.8mm | |
| 溫度漂移(參考值) | ±0.04%FS/℃ | ±0.08%FS/℃ | ±0.04%FS/℃ | ±0.08%FS/℃ | |
| 光源 | 種類、波長 | 紅色半導體雷射波長:655nm | |||
| 最大輸出功率 | 390μW | 1mW | 390μW | 1mW | |
| 雷射等級 | IEC/JIS | CLASS 1 | CLASS 2 | CLASS 1 | CLASS 2 |
| FDA ※4 | CLASS 1 | CLASS 2 | CLASS 1 | CLASS 2 | |
| 光斑尺寸※5 | φ0.8mm | φ1mm | φ0.8mm | φ1mm | |
| 回應時間※6 | 最小1.5ms | ||||
| 滯後現象※7 | 設定範圍:0~22.49mm | 設定範圍:0~149.9mm | 設定範圍:0~22.49mm | 設定範圍:0~149.9mm | |
| 檢測距離調整 | 示教式(示教後可手動調整)可選擇1點示教、2點示教、區域示教 | 示教式(示教後可手動調整) | |||
| 指示燈 | 雷射投射指示燈(綠)/輸出指示燈(橘色)/模式指示燈(紅) | 雷射投射指示燈(綠)/1CH輸出指示燈(橘色)/2CH輸出指示燈(紅) | |||
| 數位顯示器 | 7段4位LED | ||||
| 外部輸入 | 雷射關閉、示教、採樣保持、單脈衝 | 雷射關閉/開啟、示教、取樣保持、單脈衝 | |||
| 開關量輸出 | 集極開路(NPN/PNP功能內切換)Max.100mA/DC24V 殘留電壓1.8V | 集極開路(NPN/PNP功能內切換)Max.50mA/DC24V 殘留電壓1.8V | |||
| 輸出模式 | 常開/常閉功能可切換 | 常開/常閉/區域設定/FGS功能可切換 | |||
| 延時功能 | 無/ON延遲/OFF延遲/單脈衝可選擇(0~9999ms, 單位:1ms) | ||||
| 額定值 | 電源電壓 | DC12~24V±10% | |||
| 消耗電流※8 | 40mA以下 | ||||
| 連接形式 | 電纜式:φ4.5mm 2m電纜線; 接插式※9 :M8 4針連接器 |
電纜式:φ4.5mm 2m電纜線; 接插式※9 :M12 5針連接器,300mm電纜線 |
|||
| 適用法令 | EMC | 2017/30/EU | |||
| RoHS | 2011/65/EU.指令第32號 | ||||
| 安全(FDA) | 21 CFR 1040.10或1040.11(排除Laser Notice No.56帶來的差異) | ||||
| 適用規格 | EN 60947-5-2:2007/A1:2012 IEC 60825-1:2007 | ||||
| 耐環境性 | 使用環境溫度/濕度 | -10~+50℃/35~85%RH(無結霜、冰凍) | -10~+45℃ / 35~85%RH(無結霜、冰凍) | ||
| 儲存環境溫度/濕度 | -20~+60℃/35~85%RH | ||||
| 環境照度 | 白熾燈:5,000lx以下 | ||||
| 抗震動 | 10~55Hz,雙振幅1.5mm,X、Y、Z各方向2小時 | ||||
| 耐撞擊 | 500m/s(約50G),X、Y、Z各方向3次 | ||||
| 保護電路 | 反接保護、過電流保護 | ||||
| 防護等級 | IP67(IEC 60529) | ||||
| 材質 | 外殼:壓鑄鋁前蓋:PPSU 顯示幕:PET電纜:耐油PVC | ||||
| 重量 | 電纜式:約90g 接插式※9 :約30g | 電纜式:約100g 接插式※9 :約60g | |||
| 附屬品 | 安裝支架:BEF-OD1-B、 M3×15螺絲:2只 | ||||
| 無特別註明的測試條件如下所述: 環境溫度23℃(常溫)、電源電壓DC24V、採樣週期500μs、平均採樣次數512次;檢測位置為中心距離:35mm(BGS-H(D)L05T) / 150mm(BGS-H(D)L25T2);工件L25T2); ※1 顯示值得可顯示範圍如下: ·BGS-HL05T -7.50~37.50 ·BGS-HL25T2 -50.0~250.0 啟用偏移功能【ShiF】時,在示教位置處時顯示為0; 即使在檢測範圍內,如果超出顯示範圍,將顯示正常 ※2 採樣週期:1000μs時。 ※3【滯後現象】設定為0.02(BGS-H(D)L05T)、0.2(BGS-H(D)L25T2)時。 ※4符合FDA的Laser Notice No.56標準,屬於IEC 60825-1標準的CLASS 1/CLASS 2等級。 ※5 以最大檢測距離處的中心光束強度的1 / e 2(13.5%)來界定。界定的光斑尺寸範圍以外有漏光、或光束週邊存在比被測物反射率高的物體時,有可能發生誤檢。 ※6 出廠設定值時:1.5~7ms(BGS-H(D)L05T)、3~14ms(BGS-H(D)L25T2)。 ※7 出廠預設值:0.15mm(BGS-H(D)L05T)、1mm(BGS-H(D)L25T2)。 ※8 不含開關量輸出的負載電流。 ※9 客製化產品 |
|||||
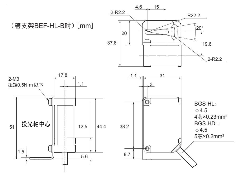
產品尺寸


產品電路圖
產品特性圖
BGS-H(D)L檢測不同材質的差異

BGS-H(D)L應差

L%20%E7%B3%BB%E5%88%97%20%20%E7%9B%AE%E9%8C%84%E4%B8%8B%E8%BC%89(%E8%8B%B1%E6%96%87).png)
L%20%E7%B3%BB%E5%88%97%20%E8%AA%AA%E6%98%8E%E6%9B%B8%E4%B8%8B%E8%BC%89(%E8%8B%B1%E6%96%87).png)








