產品下載
產品特點
THP-RS 溫溼度露點通訊感測器
-
三合一量測功能:可同時偵測溫度、濕度與露點。
-
通訊方式:採用 RS-485 傳輸介面。
-
通訊協定:RS-485 協定可依需求設定。
-
結構設計:小型且堅固,適合各種安裝環境。
-
安裝方式:具備磁吸固定功能,安裝便利。
產品規格
| 型號 | THP-RS |
| 出線方式 | Lead wire (4C / 4.00Φ) |
| 通訊方式 | RS-485 Modbus RTU |
| 溫度範圍 | -20.0 ~ +80.0°C (-4.0 ~ +176.0°F) |
| 濕度範圍 | 0.0 ~ 100.0%RH |
| 露點範圍 | -40 ~ +20.0°C (-40.0 ~ +68.0°F) |
| 解析度 | Temperature: 0.1°C;Humidity: 0.1% |
| 量測誤差 | Humidity: ±3% max. (Typical);Temperature: ±1.0°C max. (Typical) |
| 反應時間 | Humidity: 8 sec max.;Temperature: 5 ~ 30 sec |
| 穩定時間 | 300 seconds (Power ON) |
| 工作電壓 | 5~30VCD |
| 消耗電流 | 2.0mA max. |
| 顯示單位 | °C or °F selectable |
| 指示燈號 | Green LED: Power;Red LED: Communication |
| 外殼材質 | ABS Intensive |
| 工作溫度 | -25 ~ +75°C |
| 工作環境濕度 | 35% ~ 85% RH max. |
| 防護等級 | IPOX |
| 安規 | CE RoHS |
| 参数储存位址【ID=1/RTU/9600bps/8n1】 | |||
| Address | Parameter | Description | W/R |
| 00H 00H | Temperature | -20.0 ~ +80.0°C(-4.0 ~ +176.0°F) | W/R |
| 00H 01H | Humidity | 0.0 ~ 100.0%RH | W/R |
| 00H 02H | Dew point | -40 ~ +20.0°C(-40.0 ~ +68.0°F) | R |
| 00H 03H | Temperature unit selection | r0 = °C,r1 = °F | W/R |
| 00H 04H | Filter | 1 ~ 99 | W/R |
| 00H 05H | Id station | 0 ~ 255 | W/R |
| 00H 06H | Protocol | r0 = RTU,r1 = ASCII | W/R |
| 00H 07H | BPS | r0 = 9600,r1 = 19200,r2 = 38400,r3 = 115200 | W/R |
| 00H 08H | Configuration | r0 = 7O1,r1 = 7E1,r2 = 8N11,r3 = 8O1,r4 = 8E1,r5 = 8N2 | W/R |
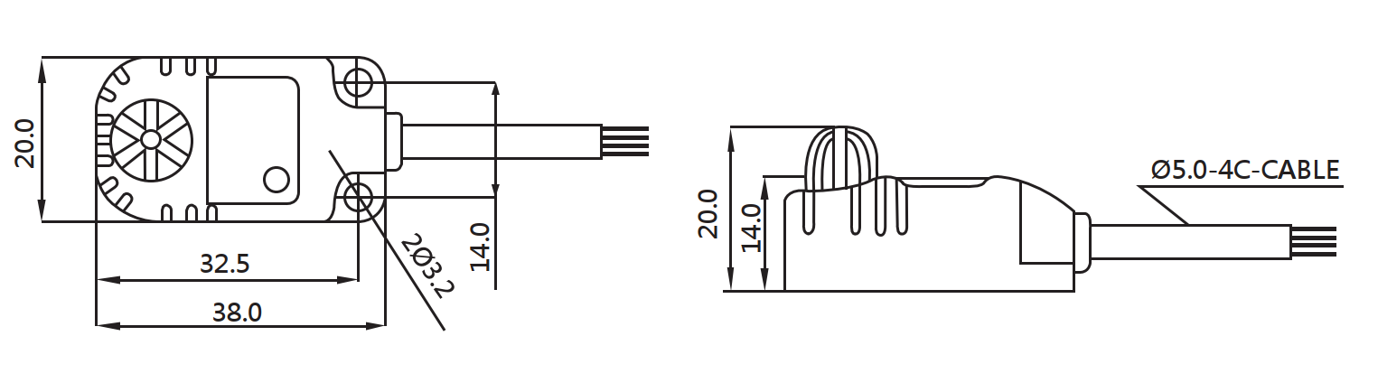
產品尺寸

產品接線圖

通訊協定
| 通訊協定【Modbus RTU】 | |
| ※HT-RS: RTU/8N1/9600bps(預設設定) 按「RESET」鍵可回復通訊協定出廠設定值(ID=1 / RTU / 8N1 / 9600bps) |
|
| ※Pilot(指示燈號) 1. 綠燈: 無通訊時,出廠通訊設定值時綠燈 2 秒閃一次;非出廠通訊設定值時綠燈 4 秒閃一次。 2. 紅燈: 通訊時,紅燈 2 秒閃一次。 |
.png)